14.04.2023

Elektronische Niveauregelung

Ein innovatives Produkt ist jetzt verfügbar: die ZE14 Elektronische Niveauregelung. Diese universelle Steuerung ermöglicht das Ansteuern von Pumpen zum Entleeren oder Befüllen von Behältern. Sie ist kompatibel mit 3-Stabelektroden (ZE15) für leitfähige Flüssigkeiten und Schwimmerschaltern (ZE16) für nicht leitfähige Flüssigkeiten.

Elektronische Niveauregelung

Die ZE14 bietet Schutzklasse IP66 und kann sowohl an der Wand als auch auf einem Tisch montiert werden. Sie kann mit 24 V DC oder 230 V 50/60 Hz betrieben werden und verfügt über einen Ausgang für 24V DC oder potentialfreien Wechselkontakt. Die Schaltverzögerung ist einstellbar und die maximale Stromaufnahme beträgt 12 W.

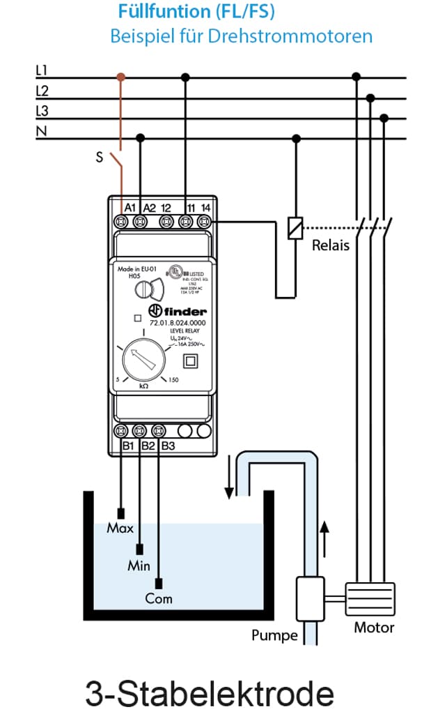
Die ZE15 3-Stabelektrode ist in Edelstahl (ZE15ES) oder Titan (ZE15ET) erhältlich und wird von der ZE14 versorgt. Sie ist für elektrisch leitfähige Flüssigkeiten geeignet und erfasst den Flüssigkeitsstand oben und unten im Behälter. Die Schutzklasse der Elektrode beträgt IP54 und sie kann Temperaturen von -10 bis +70°C widerstehen.

Der ZE16 Schwimmerschalter aus PP ist seitlich im Behälter montierbar und funktioniert berührungslos. Je nach Montage kann er als Öffner oder Schließer verwendet werden. Der Schwimmerschalter hat eine Schutzklasse von IP67, eine maximale Druckfestigkeit von 4 bar und ist für Temperaturen von -25 bis +105°C ausgelegt.

Mit der Einführung der ZE14 Elektronischen Niveauregelung und den kompatiblen ZE15 und ZE16 Sensoren bietet das Unternehmen eine flexible und universelle Lösung zur Niveauregelung in verschiedenen Anwendungsbereichen.

Anschlussmöglichkeiten

3-Stabelektrode für Niveauregelung
Diagramm 3-Stabelektrode
Schwimmerschalter für Niveauregelung
Diagramm Schwimmerschalter